EMI’s Innovative and Affordable Gas Generators

EMI has had great success with our new Innovative and Affordable Gas Generators. When compared to more costly systems, this compact and simple gas generator delivers consistent gas delivery, an easy to set and operate system, with benefits of reduced catalyst consumption.
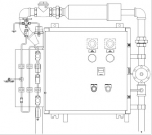
The EMI gas generator is simple to control, requiring only three external signals to run the gas and purge cycle. The relays are internal to the gas generator so there are no additions necessary to the core machine control cabinet.
When the core machine is ready to perform the gas cycle it will energize the “Gas Relay” and the “Low Pressure Relay” for the length of time required. The core machine will then de-energize the “Gas Relay” and “Low Pressure Relay” and then energize the “High Pressure Relay”. The core machine will hold this for the length of time required for purge.
The low and high pressures can be independently set via pressure regulators on the front panel. There is also, an integrated flow control that allows adjustment of the ramp to the final purge pressure. The air temperature is set via a digital readout on the temperature controller mounted on the front panel.
While the gas valve is de-energized, it automatically directs the catalyst back to the source for recirculation. The recirculation port can be plugged if this is not required.
All catalyst carrying lines are outside of the electrical cabinet to keep the electronics isolated from the flammable liquids and gases. There is also a check valve after the air heater and after the gas valve to ensure the gas does not flow back into the heater and the heated air is not able to flow back through the gas valve.

| Standard Specifications: | |
| Outlet Temperature: | Adjustable to 350 F max |
| Cabinet: | NEMA 12, painted carbon steel construction |
| Cabinet Dimensions: | 24” wide x 24” tall x 8” deep |
| Mounting: | Standard: Wall mountable Optional: floor stand |
| Features: |
|
| Model Capacities: | Model 10 | Model 18 |
| Heat Capacity: | 10KW | 18KW |
| Sand Blow Capacity: | up to 100 lb | > 100 lb |
| Input Connection: | 1-1/4” | 1-1/2” |
| Output Connection: | 1-1/2” | 2” |
| Variations to these specifications may be offered, please consult your EMI sales representative. |
||
EMI can also offer the full complement of ancillary equipment to complete your core room requirements. This would include: sand mixers, resin pump systems, sand silos, heaters, scrubbers, dip tanks, core manipulators, amine distribution systems, decking, or more. Please contact us with any questions about ancillary equipment needs.




